Описание
Характеристики
Отзывы
Описание
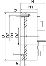
Модель 7100-0033 с диаметром 200 мм — прочный и точный трёхкулачковый патрон для надёжного крепления заготовок.
Характеристики
Бренд
I-QSC
Тип патрона
Зажимной
Диаметр патрона, мм
200
Отзывы
Отзывов еще никто не оставлял
Сопутствующие товары
Аналогичные товары
